TC Publicaties

Vervolg Grundig historie, door Bernard Terlingen en Max Ramali

Ongecontroleerd verloop van roosterkringen ten gevolge van roosterstroom, FM detector met verbredingsschakeling, Gedrag van eindtrappen en uitgangstrafo’ s, Eindtrappen en kathode weerstanden, Luidsprekers en hun behuizing en gedragingen

Ongecontroleerd verloop van roosterkringen ten gevolge van roosterstroom

De oplossing van een probleem in een Grundig FM radio

Het was eind 1957 en ik had mijn eerste zelf gebouwde FM ontvanger klaar. Nagebouwd van de Grundig 2068 tafelradio. De ontvangst van de toen nog zwakke Duitse zenders was prima, doch wanneer bij goede weersomstandigheden, bijv. met mistig weer, de signalen sterk doorkwamen liep de afstemming scheef. Ik kreeg de indruk dat de ratiodetector er naast stond, doch bijregelen hielp niet daar de zaak er dan op zwakke zenders naast stond.

Wanneer men de afstemming er dan iets naast draaide was alles goed. Dit hoort echter niet. Het oog was dan ook niet goed gesloten en zaak verliep asymmetrisch wanneer men door de afstemming draaide.

Totdat ik bij Grundig, waar ik werkte, een totaal ontregelde 2068 ter reparatie kreeg, met diverse mankementen. Die had ik snel verholpen en toen moest dit toestel weer geheel in originele staat worden afgeregeld. Nadat ik dat heel serieus had gedaan, merkte ik exact hetzelfde als bij mijn eigen ontvanger. Alles nagekeken alles dubbel gecontroleerd.


Grundig 2068 tafelradio

Als ik de meetzender aansloot en het m.f. deel daarop afregelde was alles goed, doch op de buitenantenne stond het toestel er op de Duitse zenders naast. (Hilversum was toen nog niet op de FM). Toen ik ten einde raad het toestel trap voor trap controleerde op afstemming van de kringen merkte ik dat bij aanraken van de roosterkring van de EF89 met een geïsoleerde schroevendraaier het vervormde Duitse station ineens goed door kwam. Ik had het toestel voordien op de meetzender afgeregeld.

Plotseling werd mij alles duidelijk. De EF89 was zonder kathodeweerstand op massa aangesloten. Bij het grote ingangssignaal van de meetzender had er een forse roosterstroom gelopen en was de kring verstemt, met als gevolg daarvan toename der buiscapaciteit door roosterstroom.
Met mijn schroevendraaier tegen de roosteraansluiting bracht ik, zonder dat ik dat wist, de op de meetzender ingestelde waarde weer aan. Overigens zeer toevallig dat dit ongeveer gelijkwaardig was!

Op dat moment was alles duidelijk. Ik heb een kathodeweerstand van 180 ohm in de kathodeleiding van de EF89 geplaatst met een 22 nF ontkoppelcapaciteit. Ik regelde de kring bij en de zaak stond goed. Alles nog even nageregeld en ik kon zonder problemen op de meetzender of op een Duits station afregelen. Er vond geen verandering meer plaats. Het verloop was opgeheven doordat er tgv de 2 V spanning over de kathodeweerstand geen roosterstroom meer liep.

Ik zei tegen dhr. Nieuwenhuis, mijn chef, dat dit de oplossing was wanneer we ooit die klacht zouden krijgen. Toen ik in mijn eigenbouw de weerstand had geplaatst was ook daar na afregeling het probleem verleden tijd. Later zag ik in de Grundig 5088 dat ook daar in het lab dat probleem was opgetreden. Grundig loste dit op door een kring met een lage spoel en een hoge capaciteit (100pF) te nemen.

De variabele buiscapaciteit van ± 4 pF valt verhoudingsgewijs in het niet t.o.v. de 100pF parallelcapaciteit van de kring. Dit toestel stemt dus ook zowel op sterke signalen als op zwakke prima af zonder noemenswaardig verloop.

Nadeel is wel dat kleine kringen (weinig windingen, grote parallelcapaciteit) minder signaal afgeven, maar wel verloopbestendiger zijn. Grote kringen (veel windingen, kleine parallelcapaciteit) zijn meer verloopgevoeliger doch hebben een grotere afgegeven signaalspanning.

Dit verlopen kan nagenoeg volledig worden verholpen door deze op een ruim ingestelde buis aan te sluiten. Zie schema figuur 2.


Figuur 1
Links een 10,7 mHz parallelkring met een grote spoel en kleine condensator, rechts een parallelkring met een kleine spoel en een grote condensator


Figuur 2:
Stabiele 10,7 mHz middenfrequent versterker, mede door de ruim ingestelde EF89 pentode. Hier kan ook zonder probleem de kring van figuur 1 met 20 pf en de grote spoel worden gebruikt

 

FM detector met verbredingsschakeling

Een schitterende Grundig schakeling


Figuur 3: Ratiodetector met verbredingsschakeling

Dit is het schema van de FM detector plus verbredingsschakeling inclusief 2e mf trap uit de 1e handbedrade Mandello, een Grundig Konzertschrank.

Bij ontvangst van een lokale sterke FM zender gebeuren in deze schakeling verschillende dingen. De condensator van de roosterkring van de EF89 is doelbewust door Grundig heel klein (16 pF) gehouden en de spoel zeer groot, circa 4,5 keer zo groot als de voorgaande anodekring. Wanneer een signaal op het rooster van de EF89 komt en deze roosterstroom gaat trekken, verloopt de roosterkring direct in frequentie naar beneden omdat de vergroting van de buiscapaciteit over de 16 pF komt te staan. Er zijn dan drie capaciteiten: 1e de 16 pF; 2e de buiscapaciteit van de EF89 bij ruststroom zonder signaal en tenslotte de toename van de capaciteit door een inkomend 10,7 mHz signaal. De beide eerste capaciteiten zijn vastliggend, doch de signaalcapaciteit t.g.v. de roosterstroom varieert door de verschillen in signaalsterkte. Deze schakeling werd op de fabriek met een zeer zwak signaal afgeregeld en op de ruis wordt dan de roosterkring nog nageregeld.

De kring waar het zich in dit artikel om gaat is de "16 pF" kring.
Komt er een zwak signaal binnen dan zal de kring nagenoeg niet verlopen: geringe roosterstroom, geringe toename der buiscapaciteit. Hierdoor is de selectiviteit bij ontvangst van zwakke zenders gewaarborgd.

Bij een sterk radiosignaal komen enkele Volts 10,7 MHz op het rooster terecht. De buisingangscapaciteit zal in evenredigheid toenemen en de afstemming van de roosterkring verschuift naar beneden en verbreedt de doorlaatkromme aan de lage kant van de 10,7 MHz: capaciteit (C) omhoog dan gaat de frequentie (F) omlaag, de spoel (L) is vast.
In formulevorm: L = 1 / (2 pi FC)

Er ontstaat nu asymmetrisch een verbrede doorlaatkromme. Maar aan de andere kant gebeurt er ook iets, de ratiogelijkspanning die tot 40 à 45 V is gestegen wordt naar het remrooster g3 van de EF89 geleid. Er ontstaat rondom g3 een negatief veld waardoor de anodestroom afneemt en de schermroosterstroom toeneemt. De afstand tussen anode en remrooster is naar verhouding vrij groot en de negatieve electronenwolk bevind zich aan de binnen (schermrooster) zijde van het remrooster.

Een anodestroom afname betekent minder electronenstroom tussen remrooster en anode dus een afname van de buiscapaciteit: capaciteit omlaag, frequentie omhoog.

Hier vindt de verstemming van de anodekring plaats naar boven, dus de andere zijde van de doorlaatkromme. Nu is de zaak aan twee kanten gelijk en is een symmetrische verbreding ontstaan.


Grundig Mandello 1962

Gevolg: een heel prettige manier om op sterke zenders af te stemmen, een verruimd gebied waarbinnen de frequentiezwaai zich kan bewegen wat tot uitdrukking komt in een doorzichtig geluid vooral bij weergave van de grote symphoniëen zoals Beethoven, Mahler, Brückner enz. De instrumenten zijn meer gescheiden en duidelijker hoorbaar waardoor de opbouw van de muziek beter naar voren komt.

Bij Grundig is altijd de ratioanodekring in resonantie met de buisanodecapaciteit van de EF89, daardoor is het mogelijk in dit geval de kring naar behoefte te verstellen, afhankelijk van de hoogte van de ratiospanning op g3. Wanneer op een zwak station wordt afgestemd valt alles weer terug op de oorspronkelijke fabrieksafregeling.
Eén nadeel heeft deze schakeling: op het moment van verbreding, wanneer naar een sterke zender wordt geluisterd, is het toestel verbreed. Dat betekend dat de doorlaat curve breed is, zodat naast liggende sterke zenders links of rechts van de curve er gemakkelijk doorheen kunnen komen t.g.v. de verstemde kringen.

De waarde van de componenten in deze schakeling zijn door Grundig met de grootste zorg vastgesteld en vormen een schitterend geheel. 

 

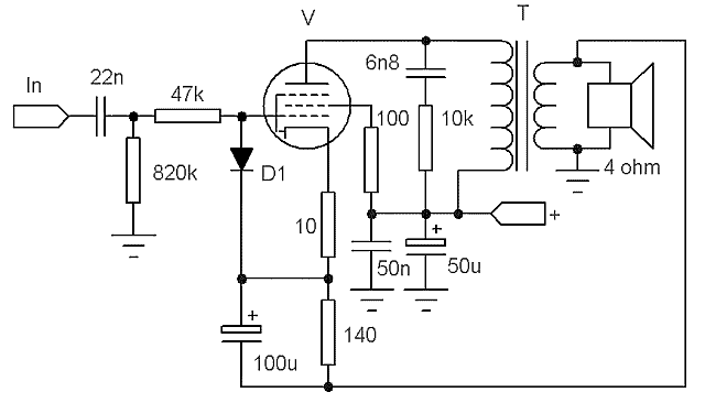
Gedrag van eindtrappen en uitgangstrafo’s

Een tipje van de sluier opgelicht


Figuur 4: eindtrap met transformatorkoppeling

Vanaf het hierboven getekende schema willen wij enkele dingen toelichten.

Sommigen in radiokringen menen dat wanneer men de condensator over de uitgang losknipt er meer hoge tonen ontstaan.

Dit is absoluut onjuist. De waarde van de condensator kan, afhankelijk van het type uitgang, ook afwijken en heeft, eventueel in serie met de weerstand van 10 Kohm, een heel belangrijke taak.
De eindtrap van een radio of versterker krijgt alle frequenties die in het hoorbare gebied liggen toegevoerd, bijvoorbeeld 50 –16.000 Hz.
De impedantie van de uitgangstrafo is van meerdere factoren afhankelijk. Deze waarde kan per frequentie gemeten worden, waarbij de aangesloten luidspreker impedantie de kwaliteit van de ijzerkern, de koppelfaktor, de eigen capaciteiten en de wikkelwijze van belang zijn.

Duurdere om-en-om gewikkelde trafo’s hebben een vastere koppeling primair-secondair, deze trafo’s kan men herkennen aan de in- en uitgaande doorverbindingen aan de zijkant. De genoemde condensator van 6,8 nF in serie met de 10 Kohm weerstand is door de fabrikant zodanig berekend dat hij voor het hoge gebied van 9-16 KHz een breedbandige parallelkring vormt samen met de primaire van de uitgangstrafo in combinatie met de koppelfactor, de trafocapaciteit en de secundaire met daarop aangesloten de bijpassende luidsprekerimpedantie. Daar bij de hogere frequenties de ijzerverliezen toenemen en de spanning aan de secundaire windingen daardoor zakt moet dit gecompenseerd worden. Door deze breedbandige resonantiekring loopt de spanning in dit hogere frequentiegebied op en compenseert hiermee het verlies.

De weerstand van 10 Kohm zorgt dat de kring breedbandig gedempt wordt en voorkomt dat een piek in dit gebied optreedt.

Deze weerstand heeft nog een tweede belangrijke funktie. Hij vormt met het buitenhoorbare gebied vanaf 16 KHz een demping. Bij hogere frequenties vormt de condensator een nagenoeg kortsluiting en de eindbuis is dan in dat hoge gebied met 10 Kohm afgesloten (demping) zodat eventueel HF genereren van de eindtrap wordt voorkomen.

De uitgangstrafo kan via zijn eigen parasitaire capaciteiten in combinatie met bijv. bedradingscapaciteit of in combinatie met buiscapaciteit bij zeer hoge frequenties, tot zelfs in het FM en VHF gebied, in resonantie komen.

Bij goedkope toestellen welke ook kleiner en dichter op elkaar gebouwd zijn, wordt dan ook vaak alleen een condensator gebruikt en geen weerstand. Dit laatste heeft wel tot nadeel dat de Q-factor van bovengenoemde parallelkring hoger op kan lopen voor hoge gebieden tussen de 9-16 KHz en er boven die gebieden een absolute kortsluiting is. Het steile aflooppunt van de primaire uitgangstrafokring kan ook door de condensator te verkleinen, naar een hoger frequentiegebied worden verschoven.

De curve van zo’ n eindtrap zakt dan snel boven 16 kHz. Voordeel is weer dat dan door die frequentieafhankelijke kortsluiting het voornoemde genereren haast uitgesloten is, ondanks de compacte bouw van kleine toestellen.
Heel verstandig is het dan ook om in dit geval een keramische condensator te nemen. Deze is inductiearm. Dus nooit deze condensator of combinatie verwijderen!

Wanneer voornoemde condensator toch verwijderd wordt loopt de impedantie van de uitgangstrafo zeer hoog op. Het enige dat deze steile oploop enigszins tegenhoudt is de wikkelcapaciteit van de primaire capaciteit die er is tussen de draden die naast en over elkaar gewikkeld zijn. Een groot stuk van het niet-hoorbare frequentiegebied is dan ongedempt en er kunnen t.g.v. hoge harmonischen van een ingestuurd LF signaal en eventuele vervorming zeer hoge HF spanningen aan de anode ontstaan. Deze spanningen kunnen, doordat er in dat gebied geen demping is, via het remrooster op het schermrooster terecht komen, hetgeen zich uit in een drastische vermindering van de geluidskwaliteit. Deze hoge spanningen kunnen in de trafo of in de buisvoet overslaan met alle bekende gevolgen vandien.

Nog iets heel belangrijks moet vermeld worden. Voor een goede ontkoppeling wordt deze condensator eventueel met weerstand aan het chassis gelegd. Dit heeft echter als nadeel dat de gelijkspanning van de voeding in serie met de positieve halve periode van de afgegeven wisselspanning van de eindbuis over deze condensator staan. Dit kan oplopen tot circa 400 V. Ieder van ons weet dat piekspanningen moordend voor een condensator zijn.

Wanneer ik een toestel onderhanden krijg vervang ik deze condensator, daar deze meestal lek en uitgedroogd is, het diëlectricum is soms van buiten zichtbaar! Ik doe dan het volgende. De nieuwe condensator leg ik tussen anode en plus, en de plus ontkoppel ik met een condensator van 0,1 uF tegen het chassis. De condensator over de uitgang krijgt dan alleen de wisselspanning van de eindbuis over zich heen en circa 20 V gelijkspanning door de spanningsval over de primaire door de stroom van de eindbuis.

Wanneer een toestel met een keramische condensator is uitgerust moet natuurlijk ook de plus keramisch worden ontkoppeld. Ook moet nog worden opgemerkt dat een 100 ohm stopweerstand in het schermrooster van de eindbuis wonderen doet. Genereren in zeer hoge frequenties word er acuut door gestopt.

In tekening 2 loopt de kathode van de eindbuis (in goede fase uiteraard) via de luidsprekerverbinding. Wat u hoort wordt tegengekoppeld. Voordeel is dat het verloop van de uitgangstrafo wordt gecompenseerd, tegengekoppeld waardoor met name voor weergave van klassieke muziek het geluid doorzichtiger wordt. Men hoort de instrumenten beter gescheiden van elkaar, evenals koorzang.

Ook kan over de eindbuis een diode in sper worden geplaatst om roosterstroom bij oversturing te voorkomen. Roosterstroom is zeer slecht voor een eindbuis. Het kan stukken bariumoxide uit de kathode trekken. En de buizen liggen niet echt meer voor het oprapen!

Om de instuurspanning 0,3 V van de diode te compenseren kan direct vanaf de kathode een weerstand van 10 ohm worden opgenomen.

 

Eindtrappen en kathodeweerstanden

Mag het een weerstandje meer zijn?


Figuur 5a en 5b


Om bij de balans eindtrappen te beginnen, het verschil tussen beide eindtrappen valt meteen op. 

In fig. 5a zijn de ruststromen gelijk en blijven dat ook. Wanneer een buis terugloopt blijft de andere gewoon doorgaan, ervan uitgegaan dat de voedingsspanning stabiel is anders zullen de buizen zodanig lager moeten worden ingesteld dat wanneer er één uitvalt de stroom van de andere niet méér toe kan nemen als de anodedissipatie toestaat.

We gaan ervan uit dat de voeding stabiel is. Wanneer een buis terugloopt veranderd er voor de andere niets. Bij deze eindtrap moeten de kathode ontkoppelingselco’s tweemaal zo hoog in waarde zijn als bij eindtrap 1b.
Het enige voordeel van de schakeling van eindtrap 1b is dat de karakteristieken van de buizen door de tegenfase sturing elkaar tegengesteld ontkoppelen tot in het laagste gebied.


Figuur 6: Ia- Vg karakteristiek


N.B. Over de Ia - Vg karakteristiek komt t.z.t. een apart artikel.

Verder zijn er alleen nadelen:

Wanneer een buis terugloopt zal dit versneld gebeuren doordat de andere teveel stroom gaat trekken. Wanneer het een klasse A balanstrap betreft is dan ook nog de kathodeweerstand te laag wanneer er een buis uitvalt of terugloopt. De goede buis trekt dan teveel stroom en schuift de andere dicht over de gemeenschappelijke kathode weerstand;

De eindtrap raakt geheel uit balans; voormagnetisatie van de uitgangstrafo is het gevolg;

Sterke afname van het onvervormde vermogen, de slechte buis levert weinig, maar een goede buis die teveel stroom trekt nadert zijn verzadigingspunt waardoor ook die buis minder vermogen geeft.

Vraag ook niet wat er gebeurt in deze schakeling wanneer één der koppelcondensatoren lek raakt. De betreffende eindbuis krijgt het extra zwaar te verduren daar hij behalve een positief rooster ook nog een te lage kathodeweerstand heeft. Dan wordt door de hoge spanning over de kathodeweerstand ook nog de buis van de goede kant teruggeschoven, nogmaals een extra belasting voor de andere buis welke nu in zijn verzadigingspunt staat, ver over de toegestane anodedissipatie!


Figuur 7
Aansluitpennen EL84


Gevolg voor bijv. de EL84 eindpentode: door de oververhitting van de anode en de oververhitte kathode ontstaat door uitzetting van de pennen 3 en 7 de bekende barst in de glasvoet. De buis loopt vol lucht en valt uit. Doch het verhaal is nog niet uit. Nu is de tweede buis aan de beurt. Deze ziet bij een klasse A eindtrap nu ook de halve kathodeweerstand. Ook deze loopt veel te hoog op in stroom en nu sneuvelt ook de tweede eindbuis door te hoge anodedissipatie.

Ook wanneer de koppelcondensatoren heel zijn kan ditzelfde gebeuren wanneer één buis terugloopt. De linker loopt terug, de rechter trekt t.g.v. daarvan teveel stroom en springt stuk. Dan gaat de linker teveel stroom trekken. De korst die zich over de kathode heeft gevormd barst eraf en ook deze buis gaat dezelfde weg als de andere.

U ziet dat het ten sterkste is af te raden twee eindbuizen op één kathodeweerstand te plaatsen. Doch er is één uitzondering: het mag wel als de gemeenschappelijke kathodeweerstand zo hoog is, dat als één buis uitvalt de andere niet over zijn anodedissipatie heen gaat.

Voorbeeld: tweemaal EL84 met plaatspanning 250V, schermrooster 230V, ruststroom 2 x 25mA, kathodeweerstand gemeenschappelijk 160 ohm. Kathodespanning 50mA x 160 ohm = 8V.

Wanneer er een buis uitgetrokken wordt gaat de andere totaal 50 mA trekken bij 250V anodespanning – 5 mA schermrooster blijft over 45 mA X (250-8V) = 45 mA X 242V=10,9 Watt anodedissipatie. Een EL84 mag 12 hebben. Dit kan dus net. Verstandig is om de kathodeweerstand in dit geval voor de zekerheid 200 ohm te nemen. Dan zit men zeker goed.

Bij parallel eindtrappen kan dit niet op deze manier, doch het is sowieso wijs om de kathodeweerstand te scheiden. Zie fig. 8.

De grote fout die Philips in de stereo-plano’s gemaakt heeft, is dat de 2x EL84 van de beide eindtrappen op 82 ohm gemeenschappelijk staan. Dit kan men niet hoger maken daar dan de eindbuizen uit hun klasse A instelling gaan. Radicale oplossing is voor de zekerheid 2 x 180 ohm i.p.v. 2 x 160 ohm.

Veel van deze plano’s heb ik al op deze manier veranderd. Ik kreeg ze ter reparatie aangeboden met één of twee kapot gesprongen EL84’s.


Figuur 8a en 8b

 

Luidsprekers en hun behuizing en gedragingen

Wanneer men een radiomonteur vraagt om de impedantie van een luidspreker te meten gebeurt meestal het volgende. Er wordt een ohmmeter genomen en de gelijkstroomweerstand van de spreekspoel wordt “gemeten”; “Nou, die is 5 ohm, alstublieft”. Verder gebeurt er niets.

Maar……na deze meting staan we aan het begin van een grote serie van andere metingen. De gelijkstroomweerstand van de spreekspoel (R) is de beginwaarde bij 0 Hz.

Wanneer er een toongenerator wordt aangesloten gebeuren er nog een groot aantal dingen t.g.v. de zelfinductie (L) van de spreekspoel. De schijnbare weerstand (of impedantie) is dan gelijk aan 2 π F L ohm. Hierin is π gelijk aan 3,14, F id de frequentie in Hz en L de zelfinductie in Henry.

Wanneer er een toon van bijv. 1000 Hz wordt aangesloten wordt de impedantie flink wat hoger dan 5 ohm. Want de waarde ωL komt erbij zoals de originele formule ons leert: Z = √R²+ ω² L²

In 2 π F L zit de variabele F die bij iedere frequentie verandert en L die in de formule constant is. Deze formule heeft dus betrekking op spoelen met een vaste waarde.

Doch bij een in trilling zijnde luidsprekerconus is ook de L variabel en dus van een aantal dingen afhankelijk: o.m. de sterkte van de magneet, de soepelheid van de ophanging van de conus, de grootte van de zelfinductie van de spreekspoel. Dan kan er bij duurdere luidsprekers zich achter in de spreekspoelruimte nog een zgn. kortsluitring bevinden die bij te grote uitslag in de achterruimte van de magneetholte de veldsterkte sterk reduceert waardoor wordt voorkomen dat de spreekspoel tegen de achterwand van de ruimte slaat en daardoor beschadigd of van de conus afscheurt of zelfs in zijn geheel de conus van het frame scheurt of de achterste centreerring ontwricht.

Wanneer men bij een vast aangelegde frequentie de uitslag van deze duurdere luidsprekers vastlegt in een grafiek, dan ziet men de inductie tegenspanning in de spreekspoel oplopen bij vergroting van de spanning. Doch wanneer de spreekspoel de demping nadert neemt de inductiespanning sterk af en, daar moet de spreekspoel op berekend zijn, de wisselstroom door de spreekspoel neemt sterk toe. Men ziet een dip in de grafiek die er weer uitkomt als de spreekspoel weer naar voren gaat en de demping verlaat.

Doch ook vindt men deze dip in de grafiek bij een “gewone” luidspreker. Dit t.g.v. de maximale uitzetting van de voorkant van de conus en de achterste centreerring.


Afbeelding van de aangelegde sinusgolf

Per aangelegde wisselspanning zal per periode deze dip bij maximale uitslag van de conus duidelijk hoorbaar zijn wanneer men in serie met de luidspreker een weerstand plaatst die, zoals bij onze voorbeeldfrequentie van 1000 Hz, gelijk is aan de 2 π F L van de spreekspoel bij die frequentie. Dan zal men zien dat eerst wanneer men een oscilloscoop over de luidspreker zet dat bij geringe en normale uitsturing de vorm van de sinus een sinus is.

Doch komt men bij een te grote uitsturing in de, laat ik zeggen de maximale mechanische uitrekbaarheid van de conus ophanging en centreerring, dan ziet men op de scoop bovenaan het maximum in de eerste halve periode een verwrongen afplatting van de stuurspanning en hetzelfde in de tweede halve periode van de stuurspanning aan de onderzijde.

Opgemerkt moet nog worden dat bij een luidspreker met demping achter de magneet de verplatting aan de ene zijde mechanisch ontstaat, conus vooraan en, conus achteraan, spreekspoel in de dempring er wat gelijkmatig verbogen uitziet.

Bij een conventionele luidspreker zal men zien dat, wanneer de ophanging en de constructie deugdelijk is en het magnetisch veld over de gehele beweegruimte gelijk is, de mechanische tegendruk op de eerste zowel als de tweede helft van de sinus in gelijke waarde optreed.

Wanneer we met een goedkope, slechte luidspreker te doen hebben zal de druk op de stuursinus ongelijk toenemen. Of eerst boven en bij verdere uitsturing onder of omgekeerd.


figuur 1: Meetopstelling

Dit kan duidelijk zichtbaar worden gemaakt als parallel aan de meters een oscilloscoop wordt aangesloten.
Bij aansluiten van twee gelijke scopen zal men op die welke aan de luidspreker is aangesloten punten B en C de mechanische deuk in de sinus zien bij te grote uitsturing. En de scoop welke tussen A en B parallel aan “R” zit zal de sinus daar boven en onder een uitschieter vertonen omgekeerd gelijk aan de deuk over de luidsprekerspanning.

Wanneer de stuurspanning wordt teruggedraaid tot de voor de luidspreker toegestane waarde, zullen beide spanningen weer nagenoeg gelijk zijn.
Opgemerkt moet nog worden dat bij een luidspreker met stugge ophanging er al snel tegengestelde verandering van beide bovengetekende spanningen zal plaats vinden.

We gaan nu terug naar de impedantiemeting van de luidspreker.
Met de getekende schakeling in figuur 1 is het mogelijk om bij iedere gewenste frequentie de impedantie te bepalen. We gaan uit van de voor de luidspreker toegestane spanning. Die kunnen we eenvoudig meten, deze is aanwezig als de beide wisselspanningen op de scopen nagenoeg gelijk zijn.
Bij iedere frequentiemeting moet eerst de stuurspanning zodanig worden ingesteld, dat deze beide spanningen nagenoeg gelijk zijn in vorm en gelijk in waarde. 

Men gaat als volgt te werk:

Bijv. een F van 200 Hz. Deze sluit men aan op bovengenoemde schakeling en experimenteert met de waarde van R. Dit kan m.b.v. een draadgewonden potmeter bijv. van 0-200 ohm, tot de spanningen over R en de luidspreker gelijk zijn. Even nog de toongenerator bijstellen wanneer de ingangsspanning te hoog is totdat op de tweede scoop weer een redelijk gelijke sinus is te zien.

Dan nog even bij een mogelijk verschil in amplitude de weerstand R nastellen. Daarna R afkoppelen en meten. De afgelezen waarde is dan gelijk aan de impedantie van de luidspreker gemeten bij 200 Hz. Zo kan men bij iedere gewenste frequentie te werk gaan en deze in een grafiek vastleggen.

Nu nog enkele bijzonderheden.

We sluiten R weer aan, de luidspreker bevindt zich tijdens onze metingen in een open houten kast. Achter de kast ligt de passende houten achterplaat. We plaatsen de plank in de achteropening van de kast. We zien dan het volgende gebeuren: de spanning over R stijgt en de spanning over de luidspreker daalt. Dan gaan we R zodanig terugdraaien dat de spanning over de luidspreker en R weer gelijk zijn.

Dan R afkoppelen en de waarde van R meten. We zien dan dat R lager is in waarde als gemeten met de open kast.

De zaak is ingeschakeld en de beide gelijke sinussen zijn op de scoop zichtbaar. Men pakt de passende plank en zet die in de achterzijde van de kast. Wat ziet men?

De sinus van de luidspreker verkleint zich, en die over R vergroot zich.
Doordat de kast met de passende achterkant geheel afgesloten en luchtdicht is, wordt de conus door de tegendruk van de lucht in de kast en de buitenlucht in zijn bewegingen belemmert. Zijn uitslag wordt minder en daarmee ook de inductietegenspanning van de spreekspoel. Dus stijgt de spanning over R.

Voornoemde meting wordt opnieuw gedaan met een luchtdichte kast en we vinden een lagere waarde over R en zien bij het aflezen van de instelling van de potmeter de afname van de luidspreker impedantie t.g.v. het luchtdicht afsluiten van de kast.

Wanneer de luidspreker in een overmatig grote kast is gebouwd zal er minder veranderen dan wanneer hij in een kleinere of te kleine kast is gemonteerd omdat, zie de wet van Pascal, een grote hoeveelheid lucht via een zelfde, in ons geval de luidspreker oppervlakte, makkelijker is samen te drukken over dezelfde conusuitslag als een geringe hoeveelheid in een kleine kast. Deze veranderingen zijn ook weer op de hierboven besproken manier te meten.

Tenslotte nog iets over gewone en zgn. drukboxen.

Men mag nooit een gewone luidspreker in een luchtdichte kast monteren, daar de conus van die luidspreker en ook de ophanging niet zijn berekend op de tegendruk van de lucht.


Philips Hi-Q hoekkast

Wanneer men bijv. een Philips 9710 unit in een drukkast bouwt, zal bij grote uitsturing de conus van het frame scheuren daar de gegolfde rand niet tegen de luchtdruk bestand is. Vandaar ook de luchtgaten onderaan in de populaire Hi-Q hoekkasten van Philips uit het midden van de jaren 50, welke met één of twee 9710’s leverbaar was.

Omgekeerd wanneer men een zgn. drukluidspreker in een open kast bouwt, zal deze bij grote uitsturing uit de magneetruimte slaan of de spreekspoel raakt zwaar beschadigd doordat deze tegen de achterkant van de magneet slaat.

Deze luidsprekers worden beveiligd tegen grote uitslag door de lucht in de afgesloten kast die de beweging belemmerd en daarmee schade voorkomt. 

Het is ook noodzakelijk bij aanschaf van een drukluidspreker voor zelfbouw de door de fabrikant opgegeven kastmaten goed aan te houden en er niet van af te wijken. Iedere goede luidsprekerfabrikant levert een bijbehorende specificatie bij zijn units.

Wanneer in voornoemde schakeling een slechte luidspreker wordt aangesloten ziet men op de scoop een asymmetrische verandering van de sinus wanneer het signaal wordt opengedraaid. De asymmetrische tegenwerking van de ophanging wordt zichtbaar in de inductiespanning welke in de spreekspoel ontstaat.

Over R ontstaat dan weer het spiegelbeeld. Ook wordt de verandering van de veldsterkte in de spreekspoelholte zichtbaar. In een zwakker veldgebied zakt de inductiespanning en neemt de stroom door de spreekspoel toe.

Ook een goede manier om te controleren of de conus goed is opgehangen is de volgende: men stuurt een frequentie van ± 1000 Hz aan in de bekende schakeling, legt dan voorzichtig aan twee zijden vóór de beide duimen en achter de beide middenvingers op de conus en beweeg die dan voorzichtig 1 à 2 mm op en neer. Men ziet dan op de rechter scoop een verandering, wanneer de luidspreker goed is geconstrueerd, een symmetrische verlaging van de spanning naar 2 kanten wanneer de conus bewogen wordt.

Bij een slechte luidspreker kan die verandering asymmetrisch zijn. Hiervoor kunnen 2 oorzaken zijn:

De spreekspoel is van fabriekswege niet op de juiste plaats in het magnetisch veld geplaatst;

De centreerring van de luidspreker kan resp. naar voren of naar achteren uitgezakt zijn. Ten gevolge daarvan bevindt de spreekspoel zich niet op de juiste plaats in de magneetholte waardoor hij zich niet in het maximum magnetisch veld bevindt.

Wanneer de ophanging niet in orde is kan de spanning op de scoop en de meter zelfs stijgen wanneer de conus bewogen wordt afhankelijk van de verkeerde ophanging of uitgezakte centreerring naar boven of beneden.

Bij een zeer goede luidspreker met zowel voor, in het midden en achter in de spreekspoelruimte een even sterk magnetisch veld, zal men tijdens deze meting bij het vanuit het midden naar boven en dan weer door het midden naar beneden bewegen van de conus, geen verandering van de geluidssterkte waarnemen of zien op de scoop en op de meters. De aangelegde stuurspanning van 1000 Hz mag bij deze metingen niet meer dan ± 1 Volt bedragen.

Het is ongelooflijk wat men met deze schakeling allemaal aan luidsprekers kan meten en zien!!